Displaying reports 10541-10560 of 84759.Go to page Start 524 525 526 527 528 529 530 531 532 End
Reports until 17:19, Friday 15 March 2024
LHO VE (VE)
gerardo.moreno@LIGO.ORG - posted 17:19, Friday 15 March 2024 (76441)
New Batteries for X2-8 and Y2-8 Solar Stations

(Jordan V., Gerardo M.)
Late entry.  Removed the old batteries for both stations, and installed new batteries with a larger capacity.
Both stations were tested after replacing the batteries, and the solar panel controllers were noted as charging the new batteries.  No issues noted with either station.

Images attached to this report
H1 ISC (ISC)
craig.cahillane@LIGO.ORG - posted 17:12, Friday 15 March 2024 - last comment - 06:56, Monday 18 March 2024(76442)
CARM to DARM at 50-100 kHz
Graeme, Matt, Craig

Using our setup from yesterday (alog 76397), we injected into the common mode board and measured a CARM to DARM transfer function.
Matt will post plots, comparisons, and measurement times later.

I am posting the data now, it lives in /ligo/gitcommon/psl_measurements/data/carm_to_darm_tfs/.

Just to clarify what these measurements are, we injected a 600 mV broadband white noise injection from 51.2 kHz to 102.4 kHz frequency span into the common mode board excitation point.
We measured out at the REFL A 9 QMON at the PSL racks (which is actually REFL A 9 I used for frequency feedback) and out of the OMC DCPD whitening chassis A+ terminal, patched over to the PSL racks as described in alog 76397.

We saw a significant rise in the REFL A 9 QMON noise as we injected more (Matt's plots to come), but very little increase in the OMC DCPD noise.
We had around 5e-3 coherence between the two at best.
We took 10000 averages, so we believe that anything above 1e-4 is "well-resolved".

We did not have time to try injecting between 1 kHz and 51.2 kHz before we lost lock, or to try looking at OMC DCPD A / EXC
We were not injecting at the time of the lockloss.  
We left the SR785 out there but not plugged in to anything on the racks so we can relock peacefully.

EDIT:
We went back out, got some data betwen 1 kHz and 52 kHz, and then unplugged everything, including the SR785 and the HAM6 OMC DCPD A+ whitening chassis cable.  We didn't unplug the patch panel connection.
Non-image files attached to this report
Comments related to this report
matthewrichard.todd@LIGO.ORG - 06:56, Monday 18 March 2024 (76443)

I've also attached my notes of the measurement process, displaying port connections as well as injection times and so on.

Measurement Span Injection Times Excitation Amp Data / Plots
IMC OLG Transfer Function 10kHz-102kHz

2024/03/15 15:17 - 15:41 PST

(MC Common Mode Servo Common Path Exc A)

100mV  
CARM Measurement 10kHz-102kHz

2024/03/15 15:43 - 15:47 PST

(IFO Common Mode Servo Common Path Exc A)

100mV  
CARM to DARM Measurements 50kHz-100kHz

2024/03/15 16:17 - 16:36 PST

(IFO Common Mode Servo Common Path Exc A)

600mV Without_Exc_Vs_Exc_CARM_to_DARM
CARM to DARM Measurements 1kHz - 52kHz

2024/03/15 15:54 - 18:00 PST

(IFO Common Mode Servo Common Path Exc A)

300mV

OMC_DCPD/REFL9I Coherence

CARM to DARM transfer func.

OMC_DCPD & REFL9I PSDs

OMC_DCPD/REFL9I CSDs

OMC DCPD excitation 1kHz - 52kHz

2024/03/15 18:13 - 18:16 PST

(IFO Common Mode Servo Common Path Exc A)

300mV

OMC_DCPD vs. Excitation Coherence

OMC_DCPD vs Excitation Transfer Func.

OMC_DCPD, PSD with Excitation

Loop Suppression to CARM 1kHz - 52kHz

2024/03/15 18:24 - 18:32 PST

(IFO Common Mode Servo Common Path Exc A)

300mV  
Images attached to this comment
Non-image files attached to this comment
H1 ISC
jennifer.wright@LIGO.ORG - posted 16:55, Friday 15 March 2024 (76440)
9 and 45 MHz modulation depth up/down test ran in 2W IFO

Jennie W, Craig C.

We paused the IFO at state 503 (CHECK_VIOLINS_BEFORE_POWERUP) and took another test where we looked at the power on POPAIR B RF18 and 90 while changing first the 9 and the 45 MHz modulation depths.

The times series of the two PDs readouts we care about and the guardian is the first image. the second image shows all the PDs in one document.

Results are:

 

Channels 9 MHz 45 MHz Carrier
H1:IMC-PWR_IN_OUT16 0.026 0.058 0.916
H1:IMC-IM4_TRANS_NSUM_OUT16 0.026 0.058 0.917
H1:LSC-REFL_A_LF_OUT16 0.055 0.111 0.834
H1:LSC-REFL_B_LF_OUT16 0.055 0.111 0.835
H1:LSC-POP_A_LF_OUT16 0.032 0.026 0.942
H1:ASC-POP_A_NSUM_OUT16 0.033 0.026 0.941
H1:ASC-POP_B_NSUM_OUT16 0.032 0.027 0.941
H1:ASC-AS_C_NSUM_OUT16 0.189 0.499 0.312
H1:ASC-OMC_A_NSUM_OUT16 0.180 0.521 0.299
H1:ASC-OMC_B_NSUM_OUT16 0.183 0.501 0.316
H1:ASC-X_TR_A_NSUM_OUT16 0.004 0.005 0.991
H1:ASC-X_TR_B_NSUM_OUT16 0.004 0.005 0.991
H1:ASC-Y_TR_A_NSUM_OUT16 -0.018 0.026 0.992
H1:ASC-Y_TR_B_NSUM_OUT16 -0.017 0.026 0.991

Sideband and carrier powers at each diode

H1:IMC-PWR_IN_OUT16 9 power = 0.051 W
H1:IMC-PWR_IN_OUT16 45 power = 0.117 W
H1:IMC-PWR_IN_OUT16 carrier power = 1.834 W
H1:IMC-PWR_IN_OUT16 total DC power = 2.003 W
H1:IMC-IM4_TRANS_NSUM_OUT16 9 power = 0.047 W
H1:IMC-IM4_TRANS_NSUM_OUT16 45 power = 0.105 W
H1:IMC-IM4_TRANS_NSUM_OUT16 carrier power = 1.668 W
H1:IMC-IM4_TRANS_NSUM_OUT16 total DC power = 1.819 W
H1:LSC-REFL_A_LF_OUT16 9 power = 0.014 mW
H1:LSC-REFL_A_LF_OUT16 45 power = 0.028 mW
H1:LSC-REFL_A_LF_OUT16 carrier power = 0.210 mW
H1:LSC-REFL_A_LF_OUT16 total DC power = 0.252 mW
H1:LSC-REFL_B_LF_OUT16 9 power = 0.013 mW
H1:LSC-REFL_B_LF_OUT16 45 power = 0.026 mW
H1:LSC-REFL_B_LF_OUT16 carrier power = 0.193 mW
H1:LSC-REFL_B_LF_OUT16 total DC power = 0.231 mW
H1:LSC-POP_A_LF_OUT16 9 power = 34.865 uW
H1:LSC-POP_A_LF_OUT16 45 power = 28.588 uW
H1:LSC-POP_A_LF_OUT16 carrier power = 1027.882 uW
H1:LSC-POP_A_LF_OUT16 total DC power = 1091.334 uW
H1:ASC-POP_A_NSUM_OUT16 9 power = 8.372 cts
H1:ASC-POP_A_NSUM_OUT16 45 power = 6.709 cts
H1:ASC-POP_A_NSUM_OUT16 carrier power = 241.335 cts
H1:ASC-POP_A_NSUM_OUT16 total DC power = 256.416 cts
H1:ASC-POP_B_NSUM_OUT16 9 power = 7.685 cts
H1:ASC-POP_B_NSUM_OUT16 45 power = 6.310 cts
H1:ASC-POP_B_NSUM_OUT16 carrier power = 222.705 cts
H1:ASC-POP_B_NSUM_OUT16 total DC power = 236.701 cts
H1:ASC-AS_C_NSUM_OUT16 9 power = 0.019 W
H1:ASC-AS_C_NSUM_OUT16 45 power = 0.051 W
H1:ASC-AS_C_NSUM_OUT16 carrier power = 0.032 W
H1:ASC-AS_C_NSUM_OUT16 total DC power = 0.101 W
H1:ASC-OMC_A_NSUM_OUT16 9 power = 0.020 W
H1:ASC-OMC_A_NSUM_OUT16 45 power = 0.057 W
H1:ASC-OMC_A_NSUM_OUT16 carrier power = 0.032 W
H1:ASC-OMC_A_NSUM_OUT16 total DC power = 0.109 W
H1:ASC-OMC_B_NSUM_OUT16 9 power = 0.018 W
H1:ASC-OMC_B_NSUM_OUT16 45 power = 0.049 W
H1:ASC-OMC_B_NSUM_OUT16 carrier power = 0.031 W
H1:ASC-OMC_B_NSUM_OUT16 total DC power = 0.097 W
H1:ASC-X_TR_A_NSUM_OUT16 9 power = 45.016 W
H1:ASC-X_TR_A_NSUM_OUT16 45 power = 52.783 W
H1:ASC-X_TR_A_NSUM_OUT16 carrier power = 10961.375 W
H1:ASC-X_TR_A_NSUM_OUT16 total DC power = 11059.174 W
H1:ASC-X_TR_B_NSUM_OUT16 9 power = 57.131 W
H1:ASC-X_TR_B_NSUM_OUT16 45 power = 66.290 W
H1:ASC-X_TR_B_NSUM_OUT16 carrier power = 14355.521 W
H1:ASC-X_TR_B_NSUM_OUT16 total DC power = 14478.941 W
H1:ASC-Y_TR_A_NSUM_OUT16 9 power = -258.850 W
H1:ASC-Y_TR_A_NSUM_OUT16 45 power = 380.017 W
H1:ASC-Y_TR_A_NSUM_OUT16 carrier power = 14506.812 W
H1:ASC-Y_TR_A_NSUM_OUT16 total DC power = 14627.979 W
H1:ASC-Y_TR_B_NSUM_OUT16 9 power = -267.817 W
H1:ASC-Y_TR_B_NSUM_OUT16 45 power = 403.885 W
H1:ASC-Y_TR_B_NSUM_OUT16 carrier power = 15432.447 W
H1:ASC-Y_TR_B_NSUM_OUT16 total DC power = 15568.516 W

Power-recycling gains for sidebands and carrier

9 MHz PRG = 70.9
45 MHz PRG = 25.9
Carrier PRG = 58.4

Reflection ratios for sidebands and carrier

9 MHz reflection ratio = 0.176
45 MHz reflection ratio = 0.159
Carrier reflection ratio = 0.075
 

To run test make sure corner POP beam diverter is unshuttered (which it is in this guardian state) then run labutils/mod_depth_up_down_test/code/measure.py, then find the csv file with the correct GPS time in ../data and copy the start and stop times for the mod-depth changes into mod_depth_analysis.py and run this file.
The level on POP90 in the nominal blue region is not in a steady state which means we did not wait long enough at 2W when the measurement finished to get a good estimate of the nominal power on the diode before the IFO started powering up to 10W in the next guardian state.

Images attached to this report
Non-image files attached to this report
H1 SQZ
camilla.compton@LIGO.ORG - posted 16:31, Friday 15 March 2024 - last comment - 18:05, Friday 15 March 2024(76426)
SQZ Optimization with different PSAMS

Dhruva, Naoki, Sheila, Trent, Camilla

This afternoon we tried some SQZ optimization, left SQZ ASC on while squeezing.

Edit: Going back to 120/120 after the IFO has been locked for 2.5 hours we see a lot less frequency dependent rotation. The rest of the team is continuing PSAMS optimization now.

Dhruva measured is NLG is 17. sqzparams.opo_grTrans_setpoint_uW is at 80uW, giving us 21.4 SHG Launch. OPO temperature optimized during this measurement.

Took no SQZ time 21:29UTC to 21:40 UTC.
Started with 120/120 PSAMs, can see frequency dependence with SQZ angle. Able to optimize high OR low frequency, not both.  BLRMs trend attached.
Tried other PSAMS configurations to get a feel for them:
  • ref5 20:07UTC ZMs at 150/150, seems better 
  • ref6 22:10UTC ZMs at 200/200, 190deg 
  • Around 22:15UTC we turned off the AS offset from 76407.
  • ref7 22:16 ZMs at 200/200, 190deg
  • ZMs at 180/180, 190deg
Found we were driving scatter at 190/190 PSAMs with a board scatter peak at 1kHz and <80Hz!
Took a data set of SQZ angles at 180/180PSAMS. Less frequency depance with SQZ angle, see attached BLRMs and DTT plot.
See less yellow BRLMs SQZ (300-400Hz where we care about)  at 180/180 than 120/120.
 
BLRMS Number Frequency (Hz)
1 Red 75 - 90
2 Orange 120 - 150
3 Yellow 300 - 400
4 Green 700 - 1750
5 Blue 1650 - 1750
6 Purple 4600 - 4750

 

Images attached to this report
Comments related to this report
naoki.aritomi@LIGO.ORG - 18:05, Friday 15 March 2024 (76444)

The first attachment shows the DARM with 120/120 PSAMS and different sqz angle. After 45 min NLN, we changed sqz angle from 220 deg to 190 deg. The 220 deg is good for high frequency, but bad around 100 Hz and vice versa for 190 deg. However, after 2.5 hours NLN, the squeezing at high frequency got much better and reached 5dB squeezing. This would indicate the squeezing angle rotation by thermalization of SRCL detuning.

The second attachment shows the DARM with 190deg sqz angle and different PSAMS. The 180/180 PSAMS gave flat squeezing after 45 min NLN, but we found that the sqz became flat with 120/120 PSAMS after 2.5 hour NLN so we set PSAMS at 120/120. 

Images attached to this comment
LHO General
ibrahim.abouelfettouh@LIGO.ORG - posted 16:02, Friday 15 March 2024 (76439)
OPS Day Shift Summary

TITLE: 03/15 Day Shift: 15:00-23:00 UTC (08:00-16:00 PST), all times posted in UTC
STATE of H1: Commissioning
INCOMING OPERATOR: None
SHIFT SUMMARY:

IFO is in NLN and COMISSIONING

Control Room Operation Log 03/15

 ———————————————————— Shift begin to Nominal Low Noise

15:42 UTC - NLN

16:30 UTC - Erik rebooting Nuc29 due to it flipping on and off - successful

 ———————————————————— Nominal Low Noise to Lockloss/Lock Attempt 1

17:03 UTC - Lockloss ISI EX Stage 1, 2, SUS EX, SUS TMSX WD tripped due to commissioning (known reason)

17:34 - Resetting WDs reset - Counts got to 136 for LL AC on L2.

17:36 -  Started locking - stopping at Damp Bounce for some commissioning tests (Jennie and Craig)

17:55 - Guardian restarted with NEW_DARM being the new (nominal) DARM.

18:02 - BS touched by Georgia in order to improve BS - but went into MICH_FRINGES before much movement

18:05 - Lockloss at CHECK_MICH_FRINGES - relocking now.

18:07 - Pointed out by TJ, and trended to confirm - the ALS X TRX is much lower than the last few lock attempts. It was hovering around 1.2 yesterday and is maxing at 0.7 today despite a high comm beat note (~6). This might warrant an initial alignment if the current lock attempt fails. 

18:25 - BS moved by Georgia to acquire PRMI - success 

18:26 - DRMI Locked

18:32 - Lockloss DRMI

 ———————————————————— Lock Attempt 1 to Init Align

18:32 - Initial Alignment Started 

18:40 - Initial Alignment Strangeness - while ALS locked for both arms, the WFs took a while to offload, keeping us in this state for longer than expected - alogged by Camilla (alog 76423)

18:47 - ALSX Transmission values are back to what they were yesterday - around 1.2. Expecting this to fix DRMI locking issues.

19:02 - Initial Alignment Complete - requested CHECK_VIOLINS_BEFORE_POWERUP for Jennie/Craig to run their tests.

 ———————————————————— Init Align to Lock Attempt 2

19:21 - Reached CHECK_VIOLINS_BEFORE_POWERUP for Jennie to take her measurements.

19:26 - Tests done, NLN requested

19:29 - HAM7 WD Tripped - potentially due to SQZ work - requested pre-squeeze state - ADS_TO_CAMERAS. Camilla letting Naoki and Nutsinee know - checking WD now.

19:34 - WD reset successfully.

19:40/1 - Requested and reached TRANSITION_FROM_ETMX for commissioning work.

19:54 - Lockloss - DRMI unlocked (reason not immediately apparent)

 ———————————————————— Lockloss to Lock Attempt 3

20:30 - Lockloss - DRMI unlocked at LOWNOISE_ASC (Alenna caused via changes made in that state)

20:47 - Gerardo informed the control room that the computing room across from the control room had a loud fan and that the back wall was vibrating - informed facilities and Tyler is investigating. Nothing was wrong according to Tyler and Eric.

21:18 - Locked and in NOMINAL_LOW_NOISE

 ———————————————————— Nominal Low Noise to Shift End

22:38 - Craig Running CARM Injection Tests

22:48 - Craig’s Tests done - preparing for future injections

LOG:

Start Time System Name Location Lazer_Haz Task Time End
17:25 VAC Jordan, Gerardo LVEA N Cart Transport 17:39
18:28 FAC Tyler MY N Roof inspection 19:28
19:11 SQZ Daniel, Nutsinee, Naoki LVEA N Switch 19:41
19:41 CDS Erik, Marc EX N Environmental Protection Procurement (jacket) 20:05
20:01 SQZ Nutsinee LVEA N Quick Measurement 20:06
22:12 PSL Craig, Matthew, Graeme LVEA N CARM Injection Preparation 23:12
Images attached to this report
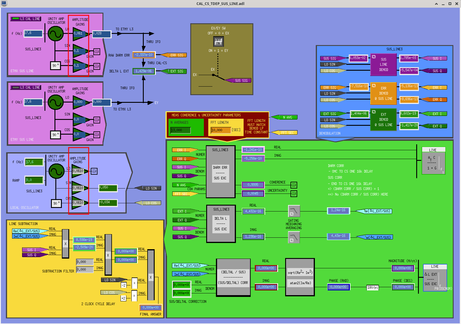
H1 CAL
louis.dartez@LIGO.ORG - posted 15:53, Friday 15 March 2024 - last comment - 18:20, Friday 15 March 2024(76438)
Retuned L2 and L3 SUS Line Heights
[Elenna, Louis]

We reduced the amplitudes of the L2 and L3 SUS calibration lines. Both lines were way too loud after moving to the new DARM loop offloading configuration. The settings we ended up on are below:


Line | Freq | Gain | DELTA_L/SUS_EXC uncertainty 

L2   | 16.4 Hz | 1.5 | 0.0058
L3   | 17.6 Hz | 0.061 | .0046


For each step I changed all of the following channels:
H1:SUS-ETMX_L2_CAL_LINE_CLKGAIN, H1:SUS-ETMX_L2_CAL_LINE_SINGAIN, H1:SUS-ETMX_L2_CAL_LINE_COSGAIN, H1:CAL-CS_TDEP_SUS_LINE2_COMPARISON_OSC_CLKGAIN, H1:CAL-CS_TDEP_SUS_LINE2_COMPARISON_OSC_SINGAIN, H1:CAL-CS_TDEP_SUS_LINE2_COMPARISON_OSC_COSGAIN

I'm attaching the CAL-CS SUS Line screens for both lines. Red boxes highlight the gains that we adjusted.
Images attached to this report
Comments related to this report
louis.dartez@LIGO.ORG - 18:20, Friday 15 March 2024 (76446)
i updated the cal line heights in lscparams.py and accepted the attached sdfs.
Images attached to this comment
H1 CAL
gabriele.vajente@LIGO.ORG - posted 15:46, Friday 15 March 2024 (76437)
Optical Gains

O4a
Optical gain H_c = 3.340e6 ct/m (from calibration report 2023-10-27)
Kappa_c = 1.007 (from trend, January 16)

Optical gain

H_c * k_c = 3.363e6 cts/m

Relative 1.012

Before OMC realignment
Optical gain H_c = 3.322e6 ct/m (from calibration report 2024-03-11)
Kappa_C = 1.00 (from trend)

Optical gain

H_c * k_C = 3.322e6 ct/m

Relative 1.000

After OMC realignment
Optical gain H_c = 3.322e6 ct/m (from calibration report 2024-03-11)

Kappa_C = 1.02 (from trend)

Optical gain

H_c * k_C = 3.388e6 ct/m

Relative 1.020

After OMC realignment
Optical gain H_c = 3.394e6 ct/m (from calibration report 2024-03-11) in the new DARM configuration

Kappa_c = 0.993 (2024-03-15 15:45 LT) still trending up

Optical gain

H_c * k_C = 3.370e6 ct/m

Relative 1.015

With this new value of the optical gain, when Kappa_c = 1, the optical gain would be 2.1% higher than before the OMC realignment.

H1 SEI (OpsInfo)
jim.warner@LIGO.ORG - posted 15:15, Friday 15 March 2024 - last comment - 15:47, Tuesday 19 March 2024(76436)
SEI_ENV will now respond to eqs showing up in Picket Fence

This has been the plan for a while, to add Picket Fence to the SEI_ENV earthquake transition. I more or less copied the logic for the PEAKMON tests that we use for the earthquake transitions and appliedt that to the network peak channel for picket fence. So if the network peak channel goes above 800nm/s that will cause SEI_ENV to transition to the appropriate earthquake state. I have convinced myself that the worst case scenario is we just won't transition early because of network lag in picket fence. I haven't seen any cases so far where a signal in picket fence would cause us to unnecessarily transition. I have seen many cases where picket fence gave ~30sec of early warning. The code is pretty simple and only got added to two or three state test in SEI_ENV, so if it breaks something it will be easy to remove.

Comments related to this report
jim.warner@LIGO.ORG - 15:47, Tuesday 19 March 2024 (76527)

There was a smaller earthquake over the weekend where SEI_ENV successfully transitioned based on the picket fence. Looks like there was a seismon alert, then picket fence and peakmon started seeing motion. Picket fence hit transition threshold first, SEI_ENV transition to earthquake mode. Worked more or less as hoped. 

Attached trends show that picket fence triggered a transition about 40 seconds before peakmon would have, denoted by the gap between to T1 and T2 markers. IFO stayed locked, range didn't seem to be effected by this.

Guardian log details:

2024-03-17_01:02:20.270775Z SEI_ENV [CALM.run] Seismon active
2024-03-17_01:02:20.323350Z SEI_ENV JUMP target: SEISMON_ALERT
2024-03-17_01:02:20.323922Z SEI_ENV [CALM.exit]
2024-03-17_01:02:20.384479Z SEI_ENV JUMP: CALM->SEISMON_ALERT
2024-03-17_01:02:20.384479Z SEI_ENV calculating path: SEISMON_ALERT->AUTOMATIC
2024-03-17_01:02:20.386365Z SEI_ENV no path from SEISMON_ALERT->AUTOMATIC
2024-03-17_01:02:20.387211Z SEI_ENV executing state: SEISMON_ALERT (20)
2024-03-17_01:02:20.392798Z SEI_ENV [SEISMON_ALERT.enter]
2024-03-17_01:02:20.396653Z SEI_ENV [SEISMON_ALERT.main] timer['wait_for_eq'] done
2024-03-17_01:02:20.396879Z SEI_ENV [SEISMON_ALERT.main] timer['wait_for_eq'] = 0
2024-03-17_01:12:09.400662Z SEI_ENV [SEISMON_ALERT.run] Seismon expired, waiting for 10min.
2024-03-17_01:12:09.401201Z SEI_ENV [SEISMON_ALERT.run] timer['wait_for_eq'] = 600
2024-03-17_01:14:30.963091Z SEI_ENV [SEISMON_ALERT.run] Picket fence active, moving to earthquake state
2024-03-17_01:14:31.022819Z SEI_ENV JUMP target: EARTHQUAKE
2024-03-17_01:14:31.022819Z SEI_ENV [SEISMON_ALERT.exit]
2024-03-17_01:14:31.073148Z SEI_ENV JUMP: SEISMON_ALERT->EARTHQUAKE
2024-03-17_01:14:31.075567Z SEI_ENV calculating path: EARTHQUAKE->AUTOMATIC
2024-03-17_01:14:31.076049Z SEI_ENV no path from EARTHQUAKE->AUTOMATIC
2024-03-17_01:14:31.077111Z SEI_ENV executing state: EARTHQUAKE (30)
2024-03-17_01:14:31.080344Z SEI_ENV [EARTHQUAKE.enter]
2024-03-17_01:14:31.085106Z SEI_ENV [EARTHQUAKE.main] ezca: H1:GRD-SEI_CONF_REQUEST => EARTH_QUAKE
2024-03-17_01:14:31.086931Z SEI_ENV [EARTHQUAKE.main] timer['calm'] done
2024-03-17_01:14:31.087026Z SEI_ENV [EARTHQUAKE.main] timer['calm'] = 0
2024-03-17_01:14:31.149187Z SEI_ENV [EARTHQUAKE.run] timer['calm'] = 600
2024-03-17_01:24:31.149524Z SEI_ENV [EARTHQUAKE.run] timer['calm'] done
2024-03-17_01:24:31.209025Z SEI_ENV [EARTHQUAKE.run] Low ground for 10min, going back to CALM
2024-03-17_01:24:31.264932Z SEI_ENV JUMP target: CALM
2024-03-17_01:24:31.267722Z SEI_ENV [EARTHQUAKE.exit]
2024-03-17_01:24:31.329422Z SEI_ENV JUMP: EARTHQUAKE->CALM
2024-03-17_01:24:31.329664Z SEI_ENV calculating path: CALM->AUTOMATIC
2024-03-17_01:24:31.329812Z SEI_ENV no path from CALM->AUTOMATIC
2024-03-17_01:24:31.331824Z SEI_ENV executing state: CALM (10)
2024-03-17_01:24:31.332473Z SEI_ENV [CALM.enter]
 

Images attached to this comment
LHO FMCS (PEM)
thomas.shaffer@LIGO.ORG - posted 14:40, Friday 15 March 2024 (76435)
HVAC Fan Vibrometers FAMIS Check

FAMIS26288

All vibrometers look to be reporting stable levels.

Images attached to this report
H1 CDS
david.barker@LIGO.ORG - posted 13:46, Friday 15 March 2024 (76432)
New front end model checker code

I've written a new check_model_changes program (used to be called check_model_daq_changes) to additionally check for any IPC addition or removal.

If an IPC sender has been removed, the code gives the list running models which currently have receivers as a reminder that they should also be changed.

The code is designed to be ran between running "rtcds build" and "rtcds install" to catch any issues before the production files are overwritten.

If the list of DAQ channels which have been added/removed is long, the code defaults to showing the first ten channels. The --all argument gives the full list.

For example, after building the h1susitmx and h1isiitmx models on h1build:

david.barker@opslogin0: check_model_changes h1susitmx
--------------------- file times ----------------------
Fri Mar 15 13:35:17 2024 = Model build time
Tue Mar 12 14:47:02 2024 = Current configuration load time
 
DAQ configuration is changed, processing...

++: slow channel H1:SUS-ITMX_R0_WD_OSEMAC_RMSLP_F1_OFFSET added to the DAQ
++: slow channel H1:SUS-ITMX_R0_WD_OSEMAC_RMSLP_F1_GAIN added to the DAQ
++: slow channel H1:SUS-ITMX_R0_WD_OSEMAC_RMSLP_F1_LIMIT added to the DAQ
++: slow channel H1:SUS-ITMX_R0_WD_OSEMAC_RMSLP_F1_TRAMP added to the DAQ
++: slow channel H1:SUS-ITMX_R0_WD_OSEMAC_RMSLP_F1_SWREQ added to the DAQ
++: slow channel H1:SUS-ITMX_R0_WD_OSEMAC_RMSLP_F1_SWMASK added to the DAQ
++: slow channel H1:SUS-ITMX_R0_WD_OSEMAC_RMSLP_F1_INMON added to the DAQ
++: slow channel H1:SUS-ITMX_R0_WD_OSEMAC_RMSLP_F1_EXCMON added to the DAQ
++: slow channel H1:SUS-ITMX_R0_WD_OSEMAC_RMSLP_F1_OUT16 added to the DAQ
++: slow channel H1:SUS-ITMX_R0_WD_OSEMAC_RMSLP_F1_OUTPUT added to the DAQ
++: ... plus 210 more slow channels ...
--: slow channel H1:SUS-ITMX_DACKILL_STATE removed from the DAQ 
--: slow channel H1:SUS-ITMX_DACKILL_RESET removed from the DAQ 
--: slow channel H1:SUS-ITMX_DACKILL_BPSET removed from the DAQ 
--: slow channel H1:SUS-ITMX_DACKILL_BPTIME removed from the DAQ 
--: slow channel H1:SUS-ITMX_DACKILL_PANIC removed from the DAQ 
--: slow channel H1:FEC-29_IPC_SUS_ITMX_M0R0_WDMON_STATE_DOLPHIN_TX removed from the DAQ 
--: slow channel H1:FEC-29_IPC_SUS_ITMX_M0R0_WDMON_STATE_SHMEM_TX removed from the DAQ 
--: slow channel H1:SUS-ITMX_R0_WD_OSEMAC_SD_RMSMON removed from the DAQ 
--: slow channel H1:SUS-ITMX_R0_WD_OSEMAC_RT_RMSMON removed from the DAQ 
--: slow channel H1:SUS-ITMX_R0_WD_OSEMAC_LF_RMSMON removed from the DAQ 
--: ... plus 19 more slow channels ...

Total number of DAQ changes = 249
(220 additions, 29 deletions)
 
IPC Senders have been removed
Please wait while ipc receiver database is generated...
----------------------------------------------------------------------------------------------------------------------------done 
IPC: 2 Removed Senders
     H1:FEC-29_IPC_SUS_ITMX_M0R0_WDMON_STATE_DOLPHIN NOTE: receiver in model(s) ['h1isiitmx']
     H1:FEC-29_IPC_SUS_ITMX_M0R0_WDMON_STATE_SHMEM NOTE: receiver in model(s) ['h1susitmpi']

david.barker@opslogin0: check_model_changes h1isiitmx
--------------------- file times ----------------------
Fri Mar 15 13:20:55 2024 = Model build time
Tue Mar 12 14:47:01 2024 = Current configuration load time
 
DAQ configuration is changed, processing...

--: slow channel H1:FEC-70_IPC_SUS_ITMX_M0R0_WDMON_STATE_DOLPHIN_ER removed from the DAQ 
--: slow channel H1:FEC-70_IPC_SUS_ITMX_M0R0_WDMON_STATE_DOLPHIN_ET removed from the DAQ 
--: slow channel H1:FEC-70_IPC_SUS_ITMX_M0R0_WDMON_STATE_DOLPHIN_PS removed from the DAQ 
--: slow channel H1:FEC-70_IPC_SUS_ITMX_M0R0_WDMON_STATE_DOLPHIN_RX removed from the DAQ 

Total number of DAQ changes = 4
(0 additions, 4 deletions)
 
IPC: 1 Removed Receiver:
     H1:FEC-70_IPC_SUS_ITMX_M0R0_WDMON_STATE_DOLPHIN

H1 SQZ
daniel.sigg@LIGO.ORG - posted 12:32, Friday 15 March 2024 (76427)
SQZ TRANS PD Readback Saturation

The readback of the broadband PD in transmission of the SHG (SQZ-SHG_TRANS_DC) was electronicslly saturating. We switched the gain from 10x to 1x on the generic PD interface box and adjusted the transimpedance gain accordingly. The readback now shows ~1.2V and 7.2mW.

H1 PSL (PSL)
ibrahim.abouelfettouh@LIGO.ORG - posted 12:19, Friday 15 March 2024 (76424)
PSL Weekly Report - Weekly FAMIS 26235

Closes FAMIS 26235


Laser Status:
    NPRO output power is 1.819W (nominal ~2W)
    AMP1 output power is 67.79W (nominal ~70W)
    AMP2 output power is 138.9W (nominal 135-140W)
    NPRO watchdog is GREEN
    AMP1 watchdog is GREEN
    AMP2 watchdog is GREEN

PMC:
    It has been locked 14 days, 20 hr 29 minutes
    Reflected power = 16.63W
    Transmitted power = 109.4W
    PowerSum = 126.1W

FSS:
    It has been locked for 0 days 0 hr and 25 min
    TPD[V] = 0.8046V

ISS:
    The diffracted power is around 2.5%
    Last saturation event was 0 days 0 hours and 25 minutes ago


Possible Issues: None

H1 OpsInfo
camilla.compton@LIGO.ORG - posted 11:56, Friday 15 March 2024 (76423)
Green arms INITIAL_ALIGNMENT strangness

Around 2024/03/15 18:39 UTC Elenna noticed that H1:GRD-ALS_XARM was in INITIAL_ALIGNMENT waiting for the WFs to converge. But the WFS weren't on!

ENABLE_WFS state compleated at 18:34UTC. It stayed in INITIAL_ALIGNMENT (state -16) until unlocked at 18:39:51UTC. Plot attached showing WFS off.

>> guardctrl log -a "2024/03/15 18:30 UTC" -b " 2024/03/15 18:40 UTC" ALS_XARM
2024-03-15_18:34:03.380964Z ALS_XARM EDGE: ENABLE_WFS->INITIAL_ALIGNMENT
...
2024-03-15_18:39:51.263013Z ALS_XARM [INITIAL_ALIGNMENT.run] Waiting for channels to converge: ['H1:ALS-X_CAM_ITM_PIT_ERR_OUT16', 'H1:ALS-X_CAM_ITM_YAW_ERR_OUT16', 'H1:ALS-X_WFS_A_I_PIT_OUT16', 'H1:ALS-X_WFS_A_I_YAW_OUT16', 'H1:ALS-X_WFS_B_I_PIT_OUT16', 'H1:ALS-X_WFS_B_I_YAW_OUT16']

 

Images attached to this report
H1 ISC
gabriele.vajente@LIGO.ORG - posted 21:17, Thursday 14 March 2024 - last comment - 16:15, Monday 18 March 2024(76407)
AS_A WFS centering affects the DHARD_Y to DARM coupling

[Louis, Gabriele]

The DHARD_Y to DARM coupling always showed two regimes: a steep coupling below 20-30 Hz, and a flatter coupling above 20-30 Hz. We've been able to change the flatter coupling above 20-30 Hz by changing the ITMT Y2L coefficient.

Today we confirmed a suspicion: the steep low frequency coupling is due to length to angle coupling at the AS WFS. We changed the beam position on the WFS by adding an offset to the WFS centering (H1:ASC-AS_A_DC_YAW_OFFSET) and saw a change in the DHARD_Y to DARM coupling.

A value close to -0.14 gives the minimum coupling below 20 Hz. we now have two independent knobs to minimize the DHARD_Y to DARM coupling at all frequencies.

Incidentally, the higher frequency couping is now lower than yesterday, with the same ITMY Y2L coefficient of -1.65

We did a scan of the AS_A_WFS Y centering from -0.2 to -0.1 in steps of 0.01, an analysis will follow tomorrow:

-0.200: 1394510627 - 1394510727
-0.190: 1394510777 - 1394510877
-0.180: 1394510927 - 1394511027
-0.170: 1394511077 - 1394511177
-0.160: 1394511227 - 1394511327
-0.150: 1394511377 - 1394511477
-0.140: 1394511527 - 1394511627
-0.130: 1394511677 - 1394511777
-0.120: 1394511827 - 1394511928
-0.110: 1394511978 - 1394512078
-0.100: 1394512128 - 1394512228
 0.000: 1394512278 - 1394512378

We are leaving a value of -0.14 in the WFS offset

 

Images attached to this report
Comments related to this report
louis.dartez@LIGO.ORG - 21:57, Thursday 14 March 2024 (76408)
Attached is a comparison of the DARM sensing function with no AS A centering offset vs an offset of -0.14. 

With an AS A centering offset of -0.14, which we found to be the value that results in the minimum amount of coupling to DARM below 20Hz, the sensing function clearly shows optical spring-like characteristics. This brings to mind a few thoughts: 

1. This supports the idea that coupling from the DHARD loop into DARM has a noticeable effect on the structure seen in the sensing function at low frequencies. We've been wondering about this for some time, so it's nice to finally have a direction to point in.
2. We tend to adjust the src detuning by constantly measuring the sensing function and trying to find an SRC offset that results in a flat sensing function at low frequencies. The fact that DHARD also couples with DARM in such a way that it can affect the shape of the sensing function at low frequencies begs the question: could we be in fact further detuning the src while intending to do the opposite due to confusion caused by the dhard coupling effects?
3. I recall being told that sometimes squeezing gets better with some level of detuning. If our only measure of SRC detuning is from measuring and inspecting the sensing function then this measurement hasn't been clean due to the DHARD coupling. 


lots to think about..
Images attached to this comment
gabriele.vajente@LIGO.ORG - 10:46, Friday 15 March 2024 (76419)

Here's a more detailed analysis of the AS WFC centering steps.

The first plot shows the steps in ASC-AS_A_DC_YAW_OFFSET compared with a DARM spectrogram, during a DHARD_Y injection. The spectrogram shows that there is minimum in the coupling of DHARD_Y to DARM around -0.15 / =0.16.

The second plot shows the transfer function from DHARD_Y to DARM for all values of the offset. A value of -0.15 gives the lowest coherence and the lowest coupling, so that seems to be the optimal value. One can notice how the transfer function phase flips sign as expected when one goes through the minimum coupling.

Images attached to this comment
gabriele.vajente@LIGO.ORG - 11:50, Friday 15 March 2024 (76422)

Changing the AS_A centering offset also moved SR2, SRM and BS.

elenna.capote@LIGO.ORG - 21:38, Friday 15 March 2024 (76451)

I tried stepping the REFl WFS A and B DC offsets in yaw similarly to see if the CHARD Y coupling to DARM would change. In summary, I stepped between -0.2 and 0.2 for both WFS and saw no change.

Method: I set a 30 second ramp on the offsets because the DC centering loops are slow. I stepped first in steps of 0.01, and then 0.02. I injected a broadband CHARD Y injection and measured the transfer function to darm between 10-30 Hz. I saw no change in the coupling while I made these steps.

minhyo.kim@LIGO.ORG - 14:52, Monday 18 March 2024 (76489)

Before checking on the calibration change in DARM and DHARD, I check on the thermalisation effect with the coupling.
I chose long duration locking time (Mar. 16, 05:30:00 UTC ~ 15:30:00 UTC) without centering offset, and selected start, middle (10:30:00 UTC) and end time within the time window.

Three plots are; 1) DARM, 2) DHARD PIT, 3) DHARD YAW.
In addition, I included screenshot of ndscope to confirm the time window.

As the 'end' time data in all plots show different trend compare to the other times, it seems that the thermalisation affects DARM and DHARD.

Images attached to this comment
minhyo.kim@LIGO.ORG - 16:15, Monday 18 March 2024 (76490)

Checked on the calibration lines in DARM and DHARD with centering offset on/off conditions.
To minimize the thermalisation effect, time for the comparison were chosen within short time window.

Figures are; 1) Comparison altogether, 2) DARM comparison, 3) DHARD PIT, 4) DHARD YAW, 5) Screenshot of the ndscope around comparison time.

It can be confirmed that the peaks of calibration lines were same in DARM with and without the centering offset. However, for DHARD, only YAW showed calibration lines, and with different peak magnitude (lower in without offset).

Images attached to this comment
H1 SQZ
naoki.aritomi@LIGO.ORG - posted 20:39, Thursday 14 March 2024 - last comment - 15:56, Saturday 16 March 2024(76405)
Less CLF power gives better squeezing

Naoki, Dhruva, Nutsinee

Yesterday we had only 3dB squeezing at IFO so we checked squeezing at homodyne. Although the visibility is good (98.5%), the squeezing was only 4.5dB at homodyne with 6dBm CLF6. We reduced the CLF power and recovered 8dB squeezing as shown in the attached figure.

The CLF6 was reduced from 6dBm to -42dBm and the 8dB squeezing was obtained with -38dBm CLF6. The CLF6 between -38 and -20 dBm gave similar squeezing so we set it at -24dBm, which is similar to O4a value and corresponds to 8uW CLF_REFL_LF_OUTPUT. The squeezing at IFO is recovered to 4.5dB with -24dBm CLF6.

Note that the LLO also saw the better squeezing at IFO with less CLF power in LLO70072.

We had 6.5dB squeezing at homodyne in 76040 and 4.5dB squeezing at IFO in 76226 with 6dBm CLF6 before. The question is why we lost squeezing at homodyne and IFO this week with same CLF power? The commissioning list in 76369 might give us a clue.

Images attached to this report
Comments related to this report
daniel.sigg@LIGO.ORG - 12:49, Friday 15 March 2024 (76429)

At high CLF power we have about 12 uW of light for CLF and RLF after the OPO. Each homodyne PD has 0.5 mW of power, or 1 mW total. This yields a CLF/RLF to LO ratio of 0.012. Using the equation Gamma^2/2 to get the modulation index, we obtain an estimate of 150 mrad for the maximum phase modulation. In reality, it will be somewhat smaller since some of the power will be in amplitude modulation. This will limit the maximum amount of achievable squeezing on the homodyne. But, this has no bearing on the DCPDs, since the CLF/RLF to LO ratio there is approximetaly 5000 times smaller.

nutsinee.kijbunchoo@LIGO.ORG - 15:56, Saturday 16 March 2024 (76452)SQZ

A bit more details on this.

The power ratio between SB and CR of each sideband is approximated to be ~ (gamma/2)^2 where gamma is modulation depth in radian. Add the two sidebands together you get (gamma^2)/2.

 

A total power transmits through the OPO during high CLF case was 12uW. A total LO power hitting the HD was 1mW. So the phase noise contribution to HD sqz was

(gamma^2)/2 = 12uW/1mW 

High CLF phase noise (gamma) at the homodyne = 154mrad (max)

 

A total power transmits through the OPO during low CLF case was 0.6 uW. A total LO power hitting the HD was 1mW. So the phase noise contribution to HD sqz was

Low CLF phase noise (gamma) at the homodyne = sqrt(2*0.6uW/1mW) = 35mrad (max)

 

These number include amplitude modulation. It's the worse case that could possibly happen. Using 45 mrad of phase noise and *16dB of asqz fits the high CLF squeezing of 6.5 dB in the homodyne. 15 mrad and 16 dB of squeezing fits the low CLF squeezing of 8 dB in the HD.

 

For the IFO case we've only injected sqz using low CLF so far. All the sideband power gets attenuated by the OMC (a factor of 5000). The LO (IFO carrier) is ~40mW. Phase noise contribution from CLF/RLF sidebands is 0.08 mrad, which is negligible. Even for high CLF power (RF6 = 6 dBm) this phase noise would be 0.3 mrad. That number is still negligible so there's no reason why we shouldn't be able to see good squeezing with high CLF. Using **15dB of aSQZ and a loss of ***30% we have 5 dB of squeezing as observed on Friday. 

 

*ASQZ trace overlapped with 16 dB aSQZ reference in HD https://alog.ligo-wa.caltech.edu/aLOG/uploads/73562_20231018171710_8dB_hd_sqz_2023Oct18.png

**15 dB of aSQZ in DARM https://alog.ligo-wa.caltech.edu/aLOG/index.php?callRep=76426

*** If I'm reading this noise budget correctly the inferred loss in the IFO is 30%. 

 

 

Images attached to this comment
H1 ISC
georgia.mansell@LIGO.ORG - posted 18:15, Thursday 14 March 2024 - last comment - 14:09, Friday 15 March 2024(76398)
Waits that maybe can be removed from ISC_LOCK and other guardian nodes

Last week when we locked the new OMC by hand I copy-pasted some guardian code into a shell, and found that there was a gain set and wait that were totally unnecessary. This inspired me to start reading through ISC_LOCK to look for other redundant waits. Here are my notes, I only got up to the start of LOWNOISE_ASC before I went totally cross-eyed.

Here are the notes I took, the ones in bold we can for sure remove.

Preparing for lock

Line 301-305 [ISC_LOCK, DOWN] Prcl UGF servo turn off (do we still do this?) no wait times but maybe unnecessary
Line 327 [PREP_FOR_LOCKING] Thermalization guardian (are we using this?)
Line 350-354 [PREP_FOR_LOCKING] Turn off CHARD blending, no wait times
Line 423 [PREP_FOR_LOCKING] turn off PR3 DRIVEALIGN P2P offset for PR3 wire heating
Line 719 [PREP_FOR_LOCKING] toggling ETM ESD HV if the output is low, seems redundant with line 445

Initial alignment


INITIAL_ALIGNMENT for the green arms only offloads a minute or 2 after it's visually converged. Initially I thought the convergence checker thresholds should be raised, but it's a 30 second average. Might make sense to reduce the averaging time?
(2 screenshots attached for this one)

Arm Length Stabilization

ALS_DIFF [LOCK] Ramps DARM gain to 40, waits 5 seconds, ramps DARM gain to 400, waits 10 seconds. Seems long.
ALS_DIFF Line 179, waits 2* the DARM ramp time, but why?
ALS_DIFF [LOCK] Enegages boosts with a 3 second wait, engages boosts with another 10 second wait
ALS DIFF Line 191 wait timer 10 seconds seems unnecessary.

ALS_COMM [PREP_FOR_HANDOFF] line 90 5 second wait - maybe we could shorten this?
ALS_COMM [HANDOFF_PART_3] lines  170 and 179 - 2 and 5 second timers but I'm not sure I get why they are there
ALS_COMM's Find IR takes 5 seconds of dark data, has two hard coded VCO offsets in FAST_SEARCH, if it sees a flash it waits 5 seconds to make sure it's real, and then moves to FINE_TUNE_IR, taking 50 count VCO steps until the transmitted power is >0.65
Suggest updating the hard coded offsets (ALS_DIFF line 247) from [78893614, 78931180] to [78893816, 78931184] (second spot seems good, first spot needs a few steps)

ALS_DIFF's find IR has 3 locations saved in alsDiffParams.dat which it searches around. This list gets updated each time it finds a new spot, HOWEVER the search starts 150 counts away from the startin location and steps in in increments of 30. Seems like it would be more efficient to start 30 below the saved offset?

ISC_LOCK [CHECK_IR] line 1206 has a 5 second wait after everything is done which could probably be reduced?

Power- and dual- recycled michelson locking

PRMI locking - a bunch of 1 second waits idk if they are needed?
ISC_DRMI line 627/640 [PRMI_LOCKED] self.timer['wait']=1 seems maybe unnecessary?
ISC_DRMI line 746, 748 [ENGAGE_PRMI_ASC] - MICH P and Y ASC ramps on with a 20 second timer, but wait = false, but this seems long anyway?
ISC_DRMI line 762/765/768 [ENGAGE_PRMI_ASC] self.timer['wait'] = 4... totally could remove this?
ISC_DRMI [PRMI_TO_DRMI] line 835 - wait timer of 4 seconds (but I don't think it actually waited 4 seconds, see third attached screenshot, so maybe I dont know what time['wait'] really means!!!
When doing the PRMI to DRMI transition it first offloads the PRMI ASC, does the PRMI_TO_DRMI_TRANSITION state, then runs through the whole DOWN state of ISC_DRMI which takes ~25 seconds? maybe there can be a quicker way to do this


In ISC_DRMI there's a self.caution flag which is set as True if AS_C is low, and has 10 second waits after ASC engagements and a *90 second* wait before tirning on the SRC ASC. Might be worthwhile to to replace this with a convergence checker since it might not be needed that we wait for a minute and a half if we are already well algined

Line 1845 ISC_LOCK [CHECK_AS_SHUTTERS] 10 second wait for...? This happens after the MICH RSET but before the FAST SHTTER is reqested to READY
Lines 1837/8 and 1865 redundant?
Line 1870 wait timer 2 seconds after AS centering + MICH turned back on but why
Line 1887 - straight up 10 second wait after increasing MICH gain by 20dB

CARM offset

Line 2119 [CARM_TO_TR] time.sleep(3) at the end of this state not clear what we're waiting for
Line 2222 [DARM_TO_RF] self.timer['wait'] = 2 that used to be 1
Line 2235 [DARM_TO_RF] another 2 second timer?
Line 2314 [DHARD_WFS] 20 second timer to turn DHARD on, but maybe we should just go straight to convergence checking once the gains are ramped on?
Line 2360 [PARK_ALS_VCO] 5 second wait after resetting the COMM and DIFF PLLs
Line 2406 [SHUTTER_ALS] 5 second wait followed by a 1 second sleep after the X arm, Y arm, and COMM are taken to shuttered
Line 2744 [CARM_TO_ANALOG] 2 second wait when REFLBIAS boost turned off but before summing node gain (A IN2) increased?
Line 2753 [CARM_TO_ANALOG] 5 second wait after summing node gain increased
Line 2760 [CARM_TO_ANALOG] 2 second wait after enabling digital CARM antiboost?
Line 2766 [CARM_TO_ANALOG] 2 second wait after turning on analog CARM boost
Line 2772 [CARM_TO_ANALOG] 2 second wait after raming the REFL_DC_BIAS gain to 0, actually maybe this one makes sense.

Full IFO


There are a ton of waits during the ASC engagement but I think usually the convergence checkers are the limit to time spent in the state.
Line 3706 [ENGAGE_SOFT_LOOPS] 5 second wait after everything has converged?
Line 3765 [PREP_DC_READOUT_TRANSITION] 3 second wait after turning on DARM boost but shouldn't it be 1 second?
Line 3816 [DARM_TO_DC_READOUT] 10 second wait after switching DARM intrix from AS45 to DC readout, might be excessive
Line 3826/7 [DARM_TO_DC_READOUT] - DARM gain is set to 400 (but it's already 400!) and then there is a 4 second wait, these two lines can for sure be removed!
Line 3834 [DARM_TO_DC_READOUT] - 5 second wait after turning ramping some offsets to 0 BUT the offsets ramp much more quickly than that!

Power up


line 4033 [POWER_10_W] 30 second wait after turning on some differential arm ASC filters but actually, never mind I don't think it actually does this wait
Line 4299 [REDUCE_RF45_MODULATION_DEPTH] we have a 30 second ramp time to ramp the modulation depths, maybe this could be shorter?
Line 4614 [MAX_POWER] 20 second thermal wait could be decreased?
Line 4641 [MAX_POWER] 30 second thermal wait could be decreased??
Line 4645 [MAX_POWER] 30 second thermal wait for the final small step could be devreased?

Lownoise stuff


line 4463/4482 [LOWNOISE_ASC] 5 second wait after we turn off RPC gains that were already off
line 4490 [LOWNOISE_ASC] 10 second wait after CHARD_Y gain lowered, but it looks to have stabilized after 5 seconds so I think we can drop this to 5.
honestly a lot of waits in lownoise_asc so I ran out of time to check them all for necessity

Images attached to this report
Comments related to this report
georgia.mansell@LIGO.ORG - 12:23, Friday 15 March 2024 (76425)

More waits in the guardian:

line 4530 [LOWNOISE_ASC] 5 second wait after turning up (more negative) MICH gain, next steps are not MICH related so maybe we can shorten it?
line 4563 [LOWNOISE_ASC] 10 second ramp after changing top mass damping loop yaw gains, then another 10 second ramp after lowering SR2 and SR3 everything damping loop yaw gains? probably can lump these together and then also maybe reduce the wait?
too scared to think about the timers in transition_from_etmx, but the whole state takes about 3 minutes, which I guess makes sense since we ramp the ESDs down, and up again, also this has been newly edited today
line 5503 [LOWNOISE_LENGTH_CONTROL] 10 second wait after setting up filters for LSC feedforward, and some MICH modifications but not sure why?
line 5536 [LOWNOISE_LENGTH_CONTROL] 10 second wait after changing filters and gains in MICH1/PRCL1/SRCL1 but all their ramp times are 2 or 5 seconds
line 5549 [LOWNOISE_LENGTH_CONTROL] 1 second wait after turning on LSCFF, maybe not needed?
line 5773 [LASER_NOISE_SUPPRESSION] 1 second waits after each LSC_REFL_SERVO gain step - could this be quicker?
line 5632 [OMC_WHITENING] 5 second wait after confirming OMC is locked could probably be skipped?

I'm attaching ISC_LOCK as I was reading it since it's always in a state of flux!

Non-image files attached to this comment
elenna.capote@LIGO.ORG - 13:01, Friday 15 March 2024 (76430)

Georgia and I looked through lownoise ASC together and tried to improve the steps of the state. Overall, it should be shorter except we now need to add the new AS_A DC offset change. I have it set for a 30 second ramp, and I want it to go independently of other changes in lownoise ASC since the DC centering loops are slow. However, Gabriele says he has successfully engaged this offset with 10 seconds, so maybe it can be shorter. I would like to try the state once like this, and if it's ok, go to a shorter ramp on the offset. This is line 4551 in my version, 'self.timer['LoopShapeRamp'] = 30'.

Generally, we combined various steps of the same ramp length that had previously been separate, such as ASC loop changes, MICH gain changes, smooth limiter changes, etc. I completely removed the RPC step because it does nothing now that we do not use RPC.

elenna.capote@LIGO.ORG - 13:38, Friday 15 March 2024 (76431)

Ok, this was a bad change because we lost lock in this state. It was not during the WFS offset change, it was likely during some other filter change. We probably combined too many steps into each section. I reverted to the old version of the state, but I did take out the RPC gain ramp to zero since that is unnecessary.

georgia.mansell@LIGO.ORG - 14:09, Friday 15 March 2024 (76433)

Quickly looking at the guardlog (first screenshot) and the buildups (second screenshot), and ASC error signals (third screenshot) during this LOWNOISE_ASC lockloss.

It seems like consolidating the test mass yaw damping loop gain change, and the SR2/SR3 damping loop gain change was not a good choice. It was a slow lockloss.

Probably the changes earlier in the state were safe though!

Images attached to this comment
H1 CAL
louis.dartez@LIGO.ORG - posted 17:55, Thursday 14 March 2024 - last comment - 12:47, Friday 15 March 2024(76396)
DARM PSD with updated CAL-CS filters activated
The CAL-CS filters installed by Jeff (LHO:76392) do a better job of correcting CAL-DELTAL_EXTERNAL. See darm_fom.png. Here's a screenshot of the filter banks: new_darm_calcs_filters.png.

Also, Evan's 5Hz high pass filter (LHO:76365) pretty much killed the strong kick we've been seeing each time we switch into this new DARM state from ETMY. 
Images attached to this report
Comments related to this report
evan.hall@LIGO.ORG - 12:47, Friday 15 March 2024 (76428)

The rms drive to the ESD is now about 5000 DAC counts on each quadrant, dominated by motion around 3 Hz.

Images attached to this comment
Non-image files attached to this comment
Displaying reports 10541-10560 of 84759.Go to page Start 524 525 526 527 528 529 530 531 532 End